Product Summary
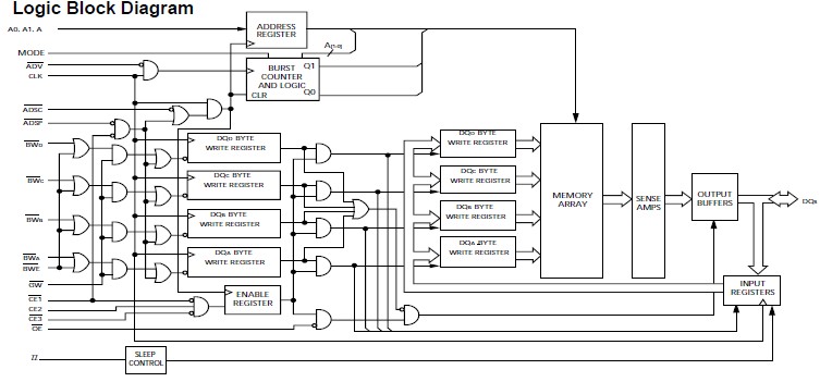
The CY7C1338G-133AXI is a 131,072 x 32 synchronous cache RAM designed to interface with high-speed microprocessor with minimum glue logic. Maximum access delay of the CY7C1338G-133AXI from clock rise is 6.5 ns (133-MHz version). A 2-bit on-chip counter captures the first address in a burst and increments the address automatically for the rest of the burst access. All synchronous inputs are gated by registers controlled by a positive-edge-triggered Clock Input (CLK).
Parametrics
CY7C1338G-133AXI absolute maximum ratings: (1)Storage Temperature : –65°C to +150°C; (2)Ambient Temperature with Power Applied: –55°C to +125°C; (3)Supply Voltage on VDD Relative to GND: –0.5V to +4.6V; (4)DC Voltage Applied to Outputs in tri-state : –0.5V to VDDQ + 0.5V; (5)DC Input Voltage: –0.5V to VDD + 0.5V; (6)Current into Outputs (LOW): 20 mA; (7)Static Discharge Voltage: >2001V (per MIL-STD-883, Method 3015); (8)Latch-up Current: >200 mA.
Features
CY7C1338G-133AXI features: (1)128K X 32 common I/O; (2)3.3V –5% and +10% core power supply (VDD); (3)2.5V or 3.3V I/O supply (VDDQ); (4)Fast clock-to-output times; (5)Provide high-performance 2-1-1-1 access rate; (6)User-selectable burst counter supporting Intel Pentium interleaved or linear burst sequences; (7)Separate processor and controller address strobes; (8)Synchronous self-timed write; (9)Asynchronous output enable; (10)Lead-Free 100-pin TQFP and 119-ball BGA packages; (11)ZZ Sleep Mode option.
Diagrams

 (Hong Kong)
 (Hong Kong) 
                         
                        
 
                                    




