Product Summary
                                                  	The STK621-220A is a 3-phase inverter power hybrid IC containing power elements, pre-driver and excessive temperature protection circuit. The application of the STK621-220A includes 3-phase inverter motor drive.
                                                  
Parametrics
STK621-220A absolute maximum ratings: (1)Supply voltage: 450V; (2)Collector-emitter voltage: 600V; (3)output current: ±10V; (4)output peak current: ±15V; (5)Pre-driver supply voltage: 20V; (6)Input signal voltage: 0 to 7V; (7)FAULT terminal voltage: 22V; (8)Maximum loss: 22W; (9)Junction temperature: 150℃; (10)Storage temperature: -40 to +125℃; (11)Operating temperature: -20 to +100℃.
Features
STK621-220A features: (1)Protective circuits including over current, and pre-drive low voltage protection are built in; (2)Direct input of CMOS level control signals without ail insulating circuit is possible; (3)The temperature monitor is enabled through the use of an internal Thermistor; (4)Single power supply drive is possible through the use of a built-in upper-side power-supply bootstrap circuit (capacitor is; (5)externally connected); (6)Built-in simultaneous upper/lower ON prevention circuit to prevent and shorting through simultaneous ON input for the; (7)upper and lower side transistors. (Dead time is required for preventing shorting due to switching delay.); (8)SIP (The single in-line package) of the transfer full mold structure.
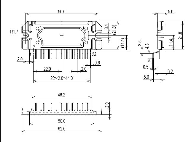
Diagrams

|  |  STK621-033A-E |  ON Semiconductor |  Motor / Motion / Ignition Controllers & Drivers |  Data Sheet |  
 |  | ||||||||||||
|  |  STK621-041 |  Other |  |  Data Sheet |  Negotiable |  | ||||||||||||
|  |  STK621-041A-E |  ON Semiconductor |  Motor / Motion / Ignition Controllers & Drivers |  Data Sheet |  
 |  | ||||||||||||
|  |  STK621-043A-E |  ON Semiconductor |  Motor / Motion / Ignition Controllers & Drivers |  Data Sheet |  
 |  | ||||||||||||
|  |  STK621-061A-E |  Other |  |  Data Sheet |  Negotiable |  | ||||||||||||
|  |  STK621-061-E |  ON Semiconductor |  Motor / Motion / Ignition Controllers & Drivers INVERTER HIC |  Data Sheet |  
 |  | ||||||||||||
 (Hong Kong)
 (Hong Kong) 
                         
                        
 
                                    




