Product Summary
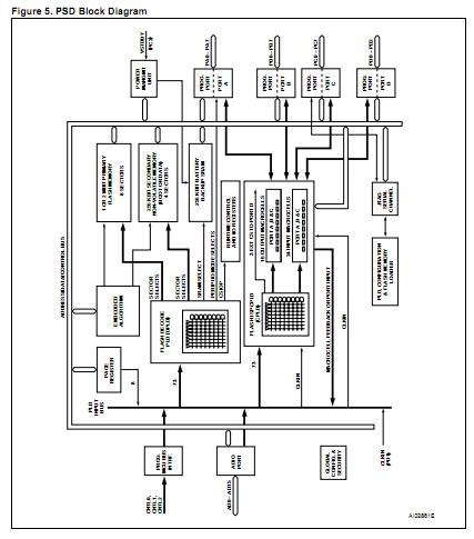
The PSD854F2-90MI is a memory system for microcontroller (MCU). The PSD854F2-90MI brings In-System-Program- mability (ISP) to Flash memory and programmable logic. The result is a simple and flexible solution for embedded designs. The PSD854F2-90MI combines many of the peripheral functions found in MCU based applications.
Parametrics
PSD854F2-90MI absolute maximum ratings: (1)TSTG, Storage Temperature: –65 to 125℃; (2)TLEAD, Lead Temperature during Soldering (20 seconds max.): 235℃; (3)VIO, Input and Output Voltage (Q = VOH or Hi-Z): –0.6 to 7.0 V; (4)VCC, Supply Voltage: –0.6 to 7.0 V; (5)VPP, Device Programmer Supply Voltage: –0.6 to 14.0 V; (6)VESD, Electrostatic Discharge Voltage (Human Body model): –2000 to 2000 V.
Features
PSD854F2-90MI features: (1)flash in-system programmable (ISP) peripheral for 8-bit MCUS; (2)dual bank flash memories: up to 2 mbit of primary flash memory (8 Uniform Sectors, 32K ×8); up to 256 Kbit secondary flash; (3)memory (4 Uniform Sectors); Concurrent operation: READ from one memory while erasing and writing the other; (4)up to 256 Kbit battery-backed SRAM; (5)27 reconfigurable I/O ports; (6)PLD with macrocells: Over 3000 Gates of PLD: CPLD and DPLD; CPLD with 16 Output Macrocells (OMCs) and 24 Input Macrocells (IMCs); DPLD - user defined internal chip select decoding; (7)27 individually configurable i/o port pins; (8)The can be used for the following functions: MCU I/Os; PLD I/Os; Latched MCU address output; Special function I/Os; 16 of the I/O ports may be configured as open-drain outputs.
Diagrams

| Image | Part No | Mfg | Description |  | Pricing (USD) | Quantity | ||||
|---|---|---|---|---|---|---|---|---|---|---|
|  |  PSD854F2-90MI |  STMicroelectronics |  CPLD - Complex Programmable Logic Devices 5.0V 2M 90ns |  Data Sheet |  Negotiable |  | ||||
| Image | Part No | Mfg | Description |  | Pricing (USD) | Quantity | ||||
|  |  PSD813F1A-12JI |  STMicroelectronics |  CPLD - Complex Programmable Logic Devices 5.0V 1M 120ns |  Data Sheet |  Negotiable |  | ||||
|  |  PSD813F1A-12JI_1105665 |  Other |  |  Data Sheet |  Negotiable |  | ||||
|  |  PSD813F1A-12UI |  STMicroelectronics |  SPLD - Simple Programmable Logic Devices 5.0V 1M 120ns |  Data Sheet |  Negotiable |  | ||||
|  |  PSD813F1A-90J |  STMicroelectronics |  SPLD - Simple Programmable Logic Devices 5.0V 1M 90ns |  Data Sheet |  Negotiable |  | ||||
|  |  PSD813F1A-90JI |  STMicroelectronics |  SPLD - Simple Programmable Logic Devices 5.0V 1M 90ns |  Data Sheet |  Negotiable |  | ||||
|  |  PSD813F1A-90M |  STMicroelectronics |  CPLD - Complex Programmable Logic Devices 5.0V 1M 90ns |  Data Sheet |  Negotiable |  | ||||
 (Hong Kong)
 (Hong Kong) 
                         
                        
 
                                    




