Product Summary
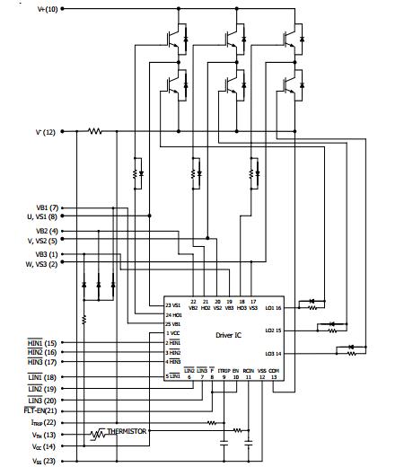
The IRAMS10UP60B-2 is an integrated power hybrid IC for appliance motor drive applications. The IRAMS10UP60B-2 is optimized for electronic motor control in appliance applications such as washing machines and refrigerators. Plug N Drive technology offers an extremely compact, high performance AC motor-driver in a single isolated package for a very simple design. An internal shunt is also included and offers easy current feedback and overcurrent monitor for precise and safe operation.
Parametrics
IRAMS10UP60B-2 absolute maximum ratings: (1)diode blocking voltage: 600V; (2)RMS phase current: 10A; (3)PWM carrier frequency: 20kHz; (4)isolation voltage: 2000V; (5)operating junction temperature range: -40 to 150℃; (6)mounting torque range: -0.5 to 1Nm.
Features
IRAMS10UP60B-2 features: (1)Internal Shunt Resistor; (2)Integrated Gate Drivers and Bootstrap Diodes; (3)Temperature Monitor; (4)Fully Isolated Package; (5)Low VCE(on) Non Punch Through IGBT Technology; (6)Undervoltage lockout for all channels; (7)Matched propagation delay for all channels; (8)Schmitt-triggered input logic; (9)Cross-conduction prevention logic; (10)Lower di/dt gate driver for better noise immunity.
Diagrams

| Image | Part No | Mfg | Description | ![]() |
Pricing (USD) |
Quantity | ||||||||||||
|---|---|---|---|---|---|---|---|---|---|---|---|---|---|---|---|---|---|---|
![]() |
![]() IRAMS10UP60B-2 |
![]() International Rectifier |
![]() Motor / Motion / Ignition Controllers & Drivers |
![]() Data Sheet |
![]()
|
|
||||||||||||
| Image | Part No | Mfg | Description | ![]() |
Pricing (USD) |
Quantity | ||||||||||||
![]() IRAM109-015SD |
![]() |
![]() IC HYBRID H-BRIDGE 1A 500V SIP-S |
![]() Data Sheet |
![]() Negotiable |
|
|||||||||||||
![]() |
![]() IRAM136-0461G |
![]() Other |
![]() |
![]() Data Sheet |
![]() Negotiable |
|
||||||||||||
![]() |
![]() IRAM136-0760A |
![]() International Rectifier |
![]() Motor / Motion / Ignition Controllers & Drivers |
![]() Data Sheet |
![]()
|
|
||||||||||||
![]() |
![]() IRAM136-0760A2 |
![]() International Rectifier |
![]() Motor / Motion / Ignition Controllers & Drivers |
![]() Data Sheet |
![]()
|
|
||||||||||||
![]() |
![]() IRAM136-1060A |
![]() International Rectifier |
![]() Motor / Motion / Ignition Controllers & Drivers |
![]() Data Sheet |
![]()
|
|
||||||||||||
![]() |
![]() IRAM136-1060B |
![]() International Rectifier |
![]() Motor / Motion / Ignition Controllers & Drivers |
![]() Data Sheet |
![]()
|
|
||||||||||||
(Hong Kong)










