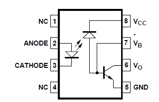
Product Summary
                                                  	The 6N136-020E is a diode-transistor optocoupler. The 6N136-020E uses an insulating layer between a LED and an integrated photodetector to provide electrical insulation between input and output. Separate connections for the photodiode bias and output-transistor collector increase the speed up to a hundred times that of a conventional phototransistor coupler by reducing the base-collector capacitance.
                                                  
Parametrics
6N136-020E absolute maximum ratings: (1)Storage Temperature TS: -55 to 125 ℃; (2)Operating Temperature TA: -55 to 100 ℃; (3)Average Forward Input Current IF(AVG): 25 mA; (4)Supply Voltage VCC: -0.5 to 30 V; (5)Output Voltage VO: -0.5 to 20 V; (6)Output Power Dissipation PO: 100 mW.
Features
6N136-020E features: (1)15 kV/μs Minimum Common Mode Transient Immunity at VCM = 1500 V (4503/0453); (2)High Speed: 1 Mb/s; (3)TTL Compatible; (4)Available in 8-Pin DIP, SO-8, Widebody Packages; (5)Open Collector Output; (6)Guaranteed Performance from Temperature: 0℃ to 70℃.
Diagrams

| Image | Part No | Mfg | Description |  | Pricing (USD) | Quantity | ||||||||||||
|---|---|---|---|---|---|---|---|---|---|---|---|---|---|---|---|---|---|---|
|  |  6N136-020E |  Avago Technologies |  High Speed Optocouplers 1 Mb/s 5000Vrms |  Data Sheet |  
 |  | ||||||||||||
| Image | Part No | Mfg | Description |  | Pricing (USD) | Quantity | ||||||||||||
|  |  6N134 |  Avago Technologies |  High Speed Optocouplers 10MBd 2CH 1500Vdc Hermetically sealed |  Data Sheet |  
 |  | ||||||||||||
|  |  6N134#100 |  Avago Technologies |  High Speed Optocouplers 10MBd 2CH 1500Vdc Hermetically sealed |  Data Sheet |  
 |  | ||||||||||||
|  |  6N134#200 |  Avago Technologies |  High Speed Optocouplers 10MBd 2CH 1500Vdc Hermetically sealed |  Data Sheet |  
 |  | ||||||||||||
|  |  6N134#300 |  Avago Technologies |  High Speed Optocouplers 10MBd 2CH 1500Vdc Hermetically sealed |  Data Sheet |  
 |  | ||||||||||||
|  |  6N134* |  Other |  |  Data Sheet |  Negotiable |  | ||||||||||||
|  |  6N134/883B |  Avago Technologies |  High Speed Optocouplers 10MBd 2CH 1500Vdc Hermetically sealed |  Data Sheet |  
 |  | ||||||||||||
 (Hong Kong)
 (Hong Kong) 
                         
                        
 
                                    




