Product Summary
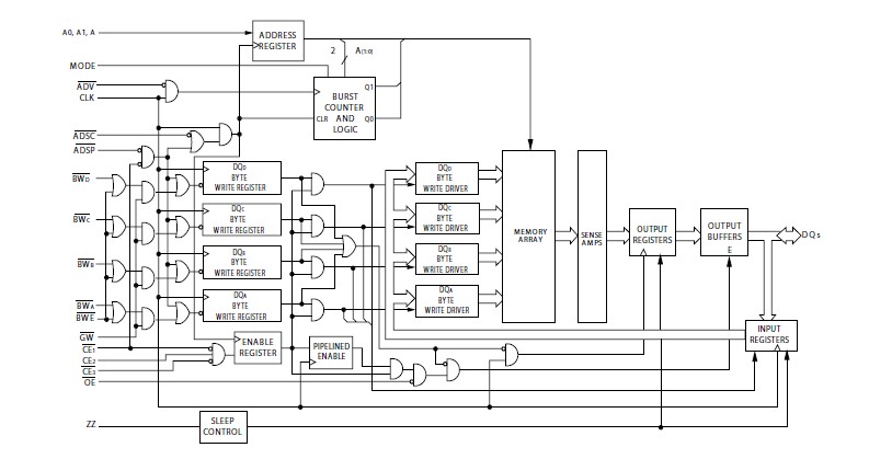
                                                  	The CY7C1339G-133AXI is a MBIT ( 128K X 32 ) pipelined SYNC SRAM. The CY7C1339G-133AXI integrates 131,072 x 32 SRAM cells with advanced synchronous peripheral circuitry and a two-bit counter for internal burst operation. All synchronous inputs are gated by registers controlled by a positive-edge-triggered Clock Input (CLK). The synchronous inputs of the CY7C1339G-133AXI include all addresses, all data inputs, address-pipelining Chip Enable (CE1), depth-expansion Chip Enables (CE2 and CE3), Burst Control inputs (ADSC, ADSP, and ADV), Write Enables (BW[A:D], and BWE), and Global Write (GW). Asynchronous inputs include the Output Enable (OE) and the ZZ pin. Addresses and chip enables are registered at rising edge of clock when either Address Strobe Processor (ADSP) or Address Strobe Controller (ADSC) are active. Subsequent burst addresses can be internally generated as controlled by the Advance pin (ADV).
                                                  
Parametrics
CY7C1339G-133AXI absolute maximum ratings: (1)Storage Temperature : –65℃ to +150℃; (2)Ambient Temperature with Power Applied: –55℃ to +125℃; (3)Supply Voltage on VDD Relative to GND: –0.5V to +4.6V; (4)DC Voltage Applied to Outputs in tri-state : –0.5V to VDDQ + 0.5V; (5)DC Input Voltage: –0.5V to VDD + 0.5V; (6)Current into Outputs (LOW): 20 mA; (7)Static Discharge Voltage: > 2001V; (8)(per MIL-STD-883, Method 3015)Latch-up Current: > 200 mA.
Features
CY7C1339G-133AXI features: (1)Registered inputs and outputs for pipelined operation; (2)128K × 32 common I/O architecture; (3)3.3V core power supply; (4)2.5V / 3.3V I/O operation; (5)Provide high-performance 3-1-1-1 access rate; (6)User-selectable burst counter supporting Intel Pentium interleaved or linear burst sequences; (7)Separate processor and controller address strobes; (8)Synchronous self-timed writes; (9)Asynchronous output enable; (10)Lead-Free 100-pin TQFP and 119-ball BGA packages.
Diagrams

| Image | Part No | Mfg | Description |  | Pricing (USD) | Quantity | ||||||||||||
|---|---|---|---|---|---|---|---|---|---|---|---|---|---|---|---|---|---|---|
|  |  CY7C1339G-133AXI |  Cypress Semiconductor |  SRAM 128Kx32 3.3V IND Sync FT SRAM |  Data Sheet |  
 |  | ||||||||||||
|  CY7C1339G-133AXIT |  |  IC SRAM 4MBIT 133MHZ 100LQFP |  Data Sheet |  Negotiable |  | |||||||||||||
 (Hong Kong)
 (Hong Kong) 
                         
                        
 
                                    




