Product Summary
The TLC372CDR is a lin CMOS dual differential comparator. The TLC372CDR is fabricated using LinCMOS technology and consists of two independent voltage comparators, each designed to operate from a single power supply. Operation from dual supplies is also possible if the difference between the two supplies is 2 V to 18 V. The TLC372CDR has internal electrostatic discharge (ESD) protection circuits and has been classified with a 1000-V ESD rating using human body model testing. However, care should be exercised in handling this device as exposure to ESD may result in a degradation of the device parametric performance.
Parametrics
TLC372CDR absolute maximum ratings: (1)Supply voltage, VDD: 18 V; (2)Differential input voltage, VID: ±18 V; (3)Input voltage range, VI: −0.3 V to 18 V; (4)Output voltage, VO: 18 V; (5)Input current, II: ±5 mA; (6)Output current, IO: 20 mA; (7)Duration of output short circuit to ground: unlimited; (8)Operating free-air temperature range, TA: 0°C to 70°C; (9)Storage temperature range: −65°C to 150°C; (10)Case temperature for 60 seconds: FK package: 260°C; (11)Lead temperature 1,6 mm (1/16 inch)from case for 10 seconds: D, P, or PW package: 260°C; (12)Lead temperature 1,6 mm (1/16 inch)from case for 60 seconds: JG or U package: 300°C.
Features
TLC372CDR features: (1)Single or Dual-Supply Operation; (2)Wide Range of Supply Voltages 2 V to 18 V; (3)Low Supply Current Drain 150 μA Typ at 5 V; (4)Fast Response Time: 200 ns Typ for TTL-Level Input Step; (5)Built-in ESD Protection; (6)High Input Impedance: 1012 Ω Typ; (7)Extremely Low Input Bias Current 5 pA Typ; (8)Ultrastable Low Input Offset Voltage; (9)Input Offset Voltage Change at Worst-Case Input Conditions Typically 0.23 μV/Month, Including the First 30 Days; (10)Common-Mode Input Voltage Range Includes Ground; (11)Output Compatible With TTL, MOS, and CMOS; (12)Pin-Compatible With LM393.
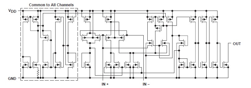
Diagrams

| Image | Part No | Mfg | Description | ![]() |
Pricing (USD) |
Quantity | ||||||||||||
|---|---|---|---|---|---|---|---|---|---|---|---|---|---|---|---|---|---|---|
![]() |
![]() TLC372CDR |
![]() Texas Instruments |
![]() Comparator ICs Dual Differential |
![]() Data Sheet |
![]()
|
|
||||||||||||
![]() |
![]() TLC372CDRG4 |
![]() Texas Instruments |
![]() Comparator ICs Dual LinCMOS Differential |
![]() Data Sheet |
![]()
|
|
||||||||||||
(Hong Kong)









