Product Summary
                                                  	The TTW3C85N16LOF is an IGBT Module.
                                                  
Parametrics
TTW3C85N16LOF absolute maximum ratings: (1)repetitive peak forward off-state and reverse voltages Tvj = - 40℃: Tvj max VDRM, VRRM: 1600 V; (2)non-repetitive peak forward off-state voltageTvj = - 40℃: Tvj max VDSM: 1600 V; (3)non-repetitive peak reverse voltage Tvj = + 25℃: Tvj max VRSM: 1700 V; (4)RMS on-state current (per chip)ITRMSM 75 A; (5)surge current Tvj = 25℃, tp = 10ms ITSM: 720 A; (6)surge current Tvj = Tvj max, tp = 10ms: 620 A; (7)operating temperature Tc op: -40: +125 ℃; (8)storage temperature Tstg: -40: +130 ℃.
Features
TTW3C85N16LOF features: (1)on-state voltage Tvj = Tvj max, iT = 100A vT max.: 1,64 V; (2)threshold voltage Tvj = Tvj max V(T0): 0,95 V; (3)slope resistance Tvj =Tvj max rT: 5,5 mΩ; (4)gate trigger current Tvj = 25℃, vD = 6V IGT max.: 150 mA; (5)gate trigger voltage Tvj = 25℃, vD = 6V VGT max.: 2,5 V; (6)gate non-trigger current Tvj = Tvj max, vD = 6V IGD max.: 5,0 mA.
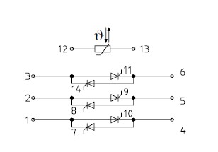
Diagrams

| Image | Part No | Mfg | Description |  | Pricing (USD) | Quantity | ||||||||
|---|---|---|---|---|---|---|---|---|---|---|---|---|---|---|
|  |  TTW3C85N16LOF |  Infineon Technologies |  Discrete Semiconductor Modules 1600V 75A FL-CNTL |  Data Sheet |  
 |  | ||||||||
| Image | Part No | Mfg | Description |  | Pricing (USD) | Quantity | ||||||||
|  |  TTW3C115N12LOF |  Infineon Technologies |  Discrete Semiconductor Modules 1200V 100A FL-CNTL |  Data Sheet |  Negotiable |  | ||||||||
|  |  TTW3C115N16LOF |  Infineon Technologies |  Discrete Semiconductor Modules 1600V 100A FL-CNTL |  Data Sheet |  
 |  | ||||||||
|  |  TTW3C145N12LOF |  Infineon Technologies |  Discrete Semiconductor Modules 1200V 120A FL-CNTL |  Data Sheet |  
 |  | ||||||||
|  |  TTW3C145N16LOF |  Infineon Technologies |  Discrete Semiconductor Modules 1600V 120A FL-CNTL |  Data Sheet |  
 |  | ||||||||
|  |  TTW3C85N12LOF |  Infineon Technologies |  Discrete Semiconductor Modules 1200V 75A FL-CNTL |  Data Sheet |  
 |  | ||||||||
|  |  TTW3C85N16LOF |  Infineon Technologies |  Discrete Semiconductor Modules 1600V 75A FL-CNTL |  Data Sheet |  
 |  | ||||||||
 (Hong Kong)
 (Hong Kong) 
                         
                        
 
                                    




