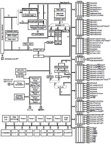
Product Summary
                                                  	The PIC18F8621-I is an enhanced flash microcontroller with A/D. The PIC18F8621-I offers the advantages of all PIC18 microcontrollers – namely, high computational performance at an economical price – with the addition of high-endurance Enhanced Flash program memory. The PIC18F8621-I also provides an enhanced range of program memory options and versatile analog features that make it ideal for complex, high performance applications.
                                                  
Parametrics
PIC18F8621-I absolute maximum ratings: (1)Ambient temperature under bias: -40℃ to +125℃; (2)Storage temperature : -65℃ to +150℃; (3)Voltage on any pin with respect to VSS (except VDD, MCLR and RA4): -0.3V to (VDD + 0.3V); (4)Voltage on VDD with respect to VSS : -0.3V to +5.5V; (5)Voltage on MCLR with respect to VSS: 0V to +13.25V; (6)Voltage on RA4 with respect to VSS: 0V to +8.5V; (7)Total power dissipation: 1.0W; (8)Maximum current out of VSS pin : 300 mA; (9)Maximum current into VDD pin : 250 mA; (10)Input clamp current, IIK (VI < 0 or VI > VDD): ±20 mA; (11)Output clamp current, IOK (VO < 0 or VO > VDD): ±20 mA; (12)Maximum output current sunk by any I/O pin: 25 mA; (13)Maximum output current sourced by any I/O pin : 25 mA; (14)Maximum current sunk by all ports : 200 mA; (15)Maximum current sourced by all ports : 200 mA.
Features
PIC18F8621-I features: (1)High current sink/source 25 mA/25 mA; (2)Four external interrupt pins; (3)Secondary oscillator clock option – Timer1/Timer3; (4)Master Synchronous Serial Port (MSSP)module; (5)100,000 erase/write cycle Enhanced Flash program memory typical; (6)1,000,000 erase/write cycle Data EEPROM memory typical; (7)1 second programming time; (8)Flash/Data EEPROM Retention: > 100 years; (9)Self-reprogrammable under software control; (10)Power-on Reset (POR), Power-up Timer (PWRT)and Oscillator Start-up Timer (OST); (11)Watchdog Timer (WDT)with its own On-Chip RC Oscillator for reliable operation; (12)Programmable code protection.
Diagrams

| Image | Part No | Mfg | Description |  | Pricing (USD) | Quantity | ||||||||||||
|---|---|---|---|---|---|---|---|---|---|---|---|---|---|---|---|---|---|---|
|  |  PIC18F8621-I/PT |  Microchip Technology |  8-bit Microcontrollers (MCU) 64KB 3840 RAM 68I/O |  Data Sheet |  
 |  | ||||||||||||
|  |  PIC18F8621-I/PTREL |  Other |  |  Data Sheet |  Negotiable |  | ||||||||||||
 (Hong Kong)
 (Hong Kong) 
                         
                        
 
                                    




